AKCIJA

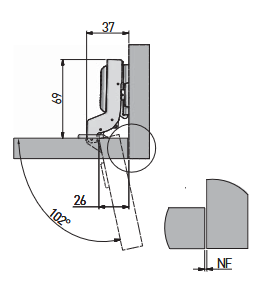
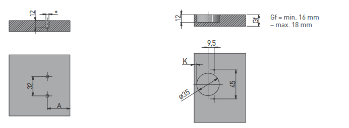
SPONA ODMIČNA GTV KRIVA Z MEHKIM ZAPIRANJEM

1,90 z DDV

Najnižja cena zadnjih 30 dni: 1,90

1860 na zalogi

Šifra: 310042
IzdelekZaloga
SPONA ODMIČNA GTV KRIVA Z MEHKIM ZAPIRANJEM1860

Povezani proizvodi